Türkçe English العربية РУССКИЙ Deutsch

0(232) 433 85 35

[email protected]

Vodapump
  • Anasayfa
  • Kurumsal
    • Hakkımızda
    • Çerez Politikası
    • Kalite Politikası
  • Ürünler
  • Kalite Sertifikaları
  • Görseller
    • Pompa Çalışma Prensibi
    • Şirket Sunumu
    • Şehrimiz - İzmir
  • Bayiler
  • İletişim
  • Online Ödeme

TSL - 80 (33m)

  1. Anasayfa
  2. TSL - 80 (33m)

Trifaze Monoblok Elektropomplar

Kategoriler

  • ✓ Salyangoz Su Pompaları
    • - MSL / TSL - 40
    • - MSL / TSL - 50
    • - MSL / TSL - 80
    • - TSL - 50
    • - TSL - 80 (33m)
    • - TSL - 80 (45m)
    • - MSL / TSL - 2K
  • ✓ Hidroforlar
    • - Dikey Milli Çok Kademeli Pompa (90 Tip)
    • - Tekli Paket Hidrofor (90 Tip)
    • - Çiftli Paket Hidrofor (90 Tip)
    • - Üçlü Paket Hidrofor (90 Tip)
    • - Dikey Milli Çok Kademeli Pompa (100 Tip)
    • - Tekli Paket Hidrofor (100 Tip)
    • - Çiftli Paket Hidrofor (100 Tip)
    • - Üçlü Paket Hidrofor (100 Tip)
  • ✓ Drenaj Pompası
    • - VP DRP
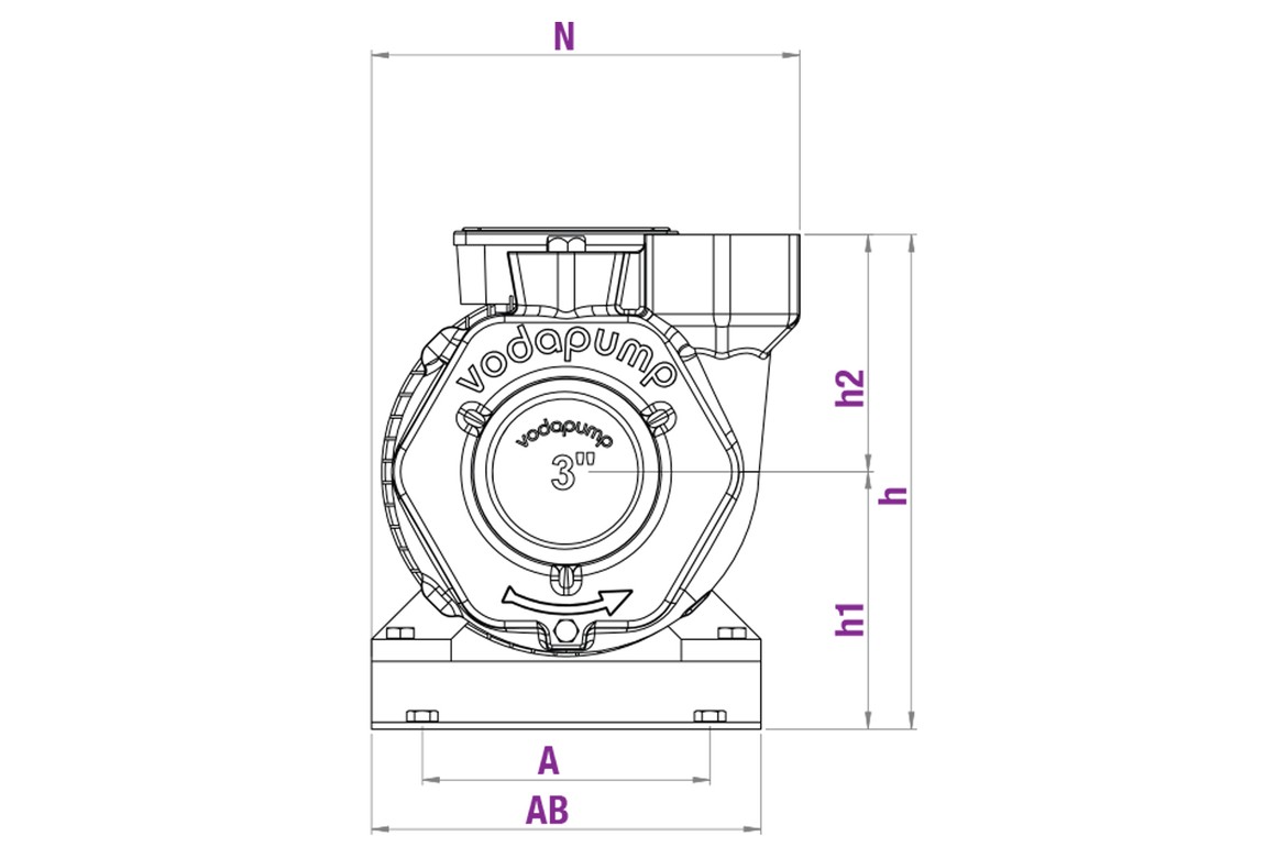
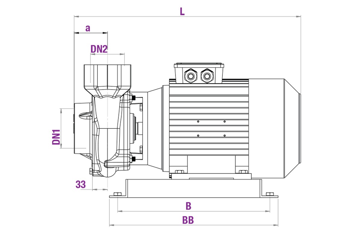
Model Güç/Power Ports Ölçüler Kg
Monofaze Single-phase Trifaze Three-phase Hp Kw Emme DN1 Basma DN2 L N h1 h2 h a w A AB B BB 1~ 3~
TSL - 80 - 3 (4 HP ) 4 3 3" 2½" 500 240 140 140 280 73 33 140 200 334 370 38 0
TSL - 80 - 4 (5,5 HP ) 5.5 4 3" 2½" 520 245 152 140 292 73 33 170 230 334 370 45 0
  • Basma Yüksekliği (Metre): 33 Hm(m)
  • Debi: 900 (I/dk) - (I/min) / 54 (m³/saat) - (m³ /h)
  • Salmastra Tipi: Mekanik Tip Salmastra
  • Sıvı Sıcaklığı: 0 °C / 60 °C
  • Gövde Türü: Sfero Döküm Gövde
  • Çark Türü: Sfero Çark
  • Motor Türü: Yüksek Verimli Motorlar IE2 - IE3 - IE4
  • Devir: 2900 d/d - rpm
  • Kullanım Alanları: Damlama Sulama, Yağmurlama Sistemleri, Fabrikalar, İnşaat, Buhar Kazanları, Tarımsal Sulama
Vodapump

1996 yılında Motorcular Ltd. Şti. olarak kurulan ve elektrik motorları, redüktörleri ile bunların yedek parçalarının satış-pazarlamasını yapan şirket, merkez satış ofisinin haricinde, 2016 yılında Bornova'daki yeni fabrika alanında tescilli VODAPUMP markası ile su pompası ve hidrofor üretimine başlamıştır. 2018 yılı itibari ile Motorcular A.Ş. ünvanına geçiş yaparak kurumsal kimlik kazanan firmanın hedefi, bünyesindeki tecrübeli mühendis ve teknisyen kadrosu ile %100 yerli üretim olan ürünlerini yurtdışına ihraç etmektedir.

İletişim

Adres: Oğlananası Atatürk Mah., Saim Çıkrıkçı Cad., No:127 Kısık, Menderes, İzmir
Tel: 0(232) 433 85 35
Faks: 0(232) 458 63 09
Eposta: [email protected]

Fabrika İletişim

Adres: Egemenlik Mh., 6106 Sk., No:66, Geri Kazanımcılar Sitesi, Bornova, İzmir
Tel: 0(232) 457 94 98
Faks: 0(232) 458 63 09
Eposta: [email protected]

Linkler

Anasayfa
Kurumsal
Ürünler
Kalite Sertifikaları
Görseller
Bayiler
İletişim

© Copyright 2018. All Rights Reserved.